Product Summary
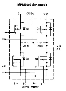
The MPM3002 is a H-bridge power circuit with lossless current sensing capability. The upper legs of the bridge consists of P-channel power MOSFETs and the power legs of the bridge consist of two SENSEFET devices. This MPM3002 packaged in the ICePAK package is ideal for applications such as servo motor drives, stepper motor controls and switching power supplies.
Parametrics
MPM3002 maximum ratings: (1)drain- to-source voltage(all types), VDSS: 100v; (2)drain-to-gate voltage(RGS=1MΩ)(all types), VDGS: 100v; (3)gate-to-source voltage(all types), VGS: ±20v; (4)drain-to-mirror voltage(Q2 and Q3), VDM: 100v; (5)gate-to-mirror voltage(Q2 and Q3), VGM: ±20v; (6)drain current: continuous(Q2 and Q3), ID: 12A; pulsed, IDM:30A; continuous(Q1 and Q4), ID: 8A; pulsed, IDM: 25A; continuous(N/P-channel combination), ID: 8A; pulsed, IDM: 25A; (7)sense current: continuous(Q2 and Q3), IM: 13mA; plused, IMM: 33A; (8)RMS isolation voltage(any pin to case), VISO: 2000v; (9)operating and storage temperature range, Tj, Tstg: -40 to 150℃.
Features
MPM3002 features: (1)P and N- channel power MOSFET configuration for ease of drive; (2)lossless current sensing in each lower leg of the H-brige; (3)isolated package with 2KV isolation voltage rating; (4)high power handing capability: 62.5w; (5)high peak current handing capability: 25A.
Diagrams

(China (Mainland))






